Productos RS-107T10C-9N19B-B3M12
Codificador rotatorio absoluto: monovuelta
Línea industrial
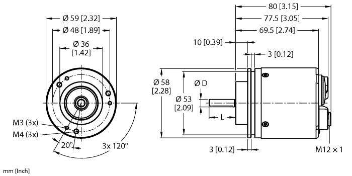
Referencia: 200010790- Receptáculo de fijación, Ø 58 mm
- Eje macizo, Ø 10 mm × 20 mm
- Principio de medición óptica
- Material del eje: acero inoxidable
- Protección de grado IP65 en el lado del eje
- ‐40…+80 °C
- Máx. 9000 rpm
- 10…30 VCC
- Ethernet/IP
- Conector macho M12 × 3, 4 polos
- Resolución de una sola vuelta, escalable hasta 19 bits, predeterminada de 13 bits

Datos generales
| Código eCl@ss (V5.1.4): | 27270501 -/- codificador, absoluto |
Datos técnicos
| Línea del codificador | Industrial-Line |
| Tecnología | óptico |
| Tipo de salida | Absoluto monovuelta |
| Tipo de eje | Eje macizo |
| Diámetro del eje D (mm) | 10 |
| Diámetro de brida | Ø 58 mm |
| Tipo de brida | brida de sujeción |
| Alcance de la medición | 0…360° |
| Tensión de funcionamiento | 10…30VCC |
| Protocolo de comunicación | EtherNet/IP |
| Conexión eléctrica | Conectores, 3 × M12 |
| Material de la cubierta | Aluminio |
| Temperatura ambiente | -40…+80 °C |
| Protection class shaft | IP65 |
| Grado de protección | IP65 |
Data Sheets
Catalog
Manual (MN)
Software de programación
Accesorios de montaje
|
RA-BC-20-06-10
Acoplamiento de fuelles con concentrador de aluminio Ø 20 mm; d1 = 6 mm, d2 = 10 mm |
100048779 |
|
RA-BC-20-08-10
Acoplamiento de fuelles con concentrador de aluminio Ø 20 mm; d1 = 8 mm, d2 = 10 mm |
100048781 |
|
RA-BC-20-10-10
Acoplamiento de fuelles con concentrador de aluminio Ø 20 mm; d1 = 10 mm, d2 = 10 mm |
100048782 |
|
RA-BC-20-10-12
Acoplamiento de fuelles con concentrador de aluminio Ø 20 mm; d1 = 10 mm, d2 = 12 mm |
100048783 |
|
RA-BC-E-20-06-10
Acoplamiento de fuelles de acero inoxidable Ø 20 mm; d1 = 6 mm, d2 = 10 mm |
100048786 |
|
RA-BC-E-20-10-10
Acoplamiento de fuelles de acero inoxidable Ø 20 mm; d1 = 10 mm, d2 = 10 mm |
100048787 |
|
RA-BC-E-20-10-12
Acoplamiento de fuelles de acero inoxidable Ø 20 mm; d1 = 10 mm, d2 = 12 mm |
100048788 |
|
RA-SDC-30-10-10
Acoplamiento de arandela de bloqueo Ø 30 mm, d1 = 10 mm, d2 = 10 mm |
100048792 |
|
RA-SDC-30-10-12
Acoplamiento de arandela de bloqueo Ø 30 mm, d1 = 10 mm, d2 = 12 mm |
100048793 |
|
RA-HC-25-10-10
Acoplamiento helicoidal de aluminio Ø 25 mm; d1 = 10 mm, d2 = 10 mm |
100048796 |
|
RA-HC-25-10-12
Acoplamiento helicoidal de aluminio Ø 25 mm; d1 = 10 mm, d2 = 12 mm |
100048797 |

