Productos BI8U-Q08-AN6X2
Sensor inductivo
Con distancia de conmutación extendida
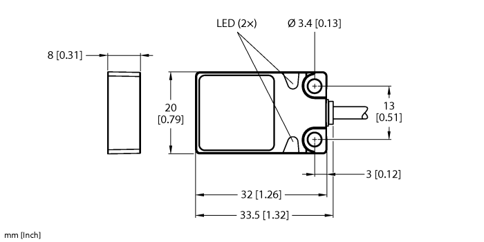
Referencia: 1662007- Rectangular, altura de 8 mm
- Cara activa en la parte superior
- Metal, zamak, latón niquelado
- Factor 1 para todos los metales
- Mayor distancia de conmutación
- Grado de protección IP68
- Resistente a campos magnéticos
- montaje directamente sobre el metal
- 3 hilos DC, 10…30 VDC
- contacto de cierre, salida npn
- conexión de cable

Datos generales
| EAN | 4047101148633 |
| Código eCl@ss (V5.1.4): | 27270101 -/- conmutador de proximidad inductivo |
| Código aduanero de la mercancía | 85365019000 |
| País de origen | PL |
| Peso | 37 g |
Datos técnicos
| Diseño | Rectangular |
| Tamaño constructivo | 32 x 20 x 8 mm, Q08 |
| Distancia de detección | 8 mm |
| Condiciones de montaje | Enrasado |
| Tensión de funcionamiento | 10…30VCC |
| Salida eléctrica | Contacto NA, NPN |
| Frecuencia de conmutación | 0.250 kHz |
| Conexión eléctrica | Cables |
| Longitud del cable | 2.0 m |
| Material de la cubierta | Metal, Zamak, Niquelado |
| Temperatura ambiente | -25…+70 °C |
| Grado de protección | IP68 |
| Propiedades espec. | uprox+, Factor 1, Inmune a campos magnéticos |

